Tomei LSD 1.5 Way For 1993-98 Nissan Skyline ER33 GTS25 RB25DE w/Open
Note: If you are not sure whether this LSD would work on your car, please send us a message with the information about your car and we will find out for you.
Application Spec.
For 1993-98 Nissan Skyline ER33 GTS25 RB25DE with STD Open Diff
MT / AT Transmission
Location: Rear
TC101B-NSIA1 - LSD Specs:
1.5 Way Multiple Plate Clutch LSD
The Technical Trax LSD unit is based on the multiple plate clutch design. With this design the multiple friction clutch plates are located between the side gears and the differential casing and utilize the pinion and cam gears. This is a torque proportional type LSD. In the usual differential arrangement it is connected to both left & right axles directly, when the driving force of one side differs in speed the pinion gear with the cam angle forces the clutch plates to compress and grip to in effect transfer the driving torque evenly to both axles. The T-TRAX ADVANCE has adopted this system which has proven its effectiveness as the best for 2WD applications.
16 discs / size L
External Teeth Friction Disc: 8 Plates
Internal Teeth Friction Disc: 8 Plates
Spring Disc Toothless: 2 Plates
Initial Torque Pre-setting: 16.5-18.5kg.m
LSD Unit Specs:
Size of ring gear bolts: M12
Number of ring gear bolts: 10
Ring gear bolts PCD: 150mm
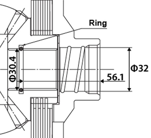
Side flanges:
Number of teeth: 29T
Snap ring: With
Washer: Without
Part numbers of the Nissan OE factory side flanges: 38220-51F01 / 38220-51F00
Includes:
Tomei LSD x 1
2 Litters of Low Friction High Grade Oil x 1
Carrier Cover Gasket x 1
Bearings x 2
Oil Seals x 2
We usually ship all orders within 1 day unless there is an issue with the order. In that case, we will contact you to find the best solution.